Mergi la conţinutul principal
Acasă Performanța cere calitate!

Cuplaje cu burduf metalic

Contact:

ing. Mihai Aldea

tel
0212 229 540
fax
0212 229 513
mobil
0741 252 501

Caracteristici

  • Transmiterea exacta a momentului
  • Rigiditate torsionala maxima (fara abateri la inversarea de sens) pana la 300°C
  • Moment de inertie mic, echilibrare perfecta
  • Capacitate de compensare a necoaxialitatii arborilor
  • Fixare pe arbore cu bratara si transmiterea momentului fara pana
  • Rigiditate torsionala maxima (fara abateri la inversarea de sens)
  • numar mare de tipodimensiuni
  • calitate superioara, precizie ridicata, durata de viata mare

Aplicaţii:

  • sisteme de avans cu servomotoare la masinile unelte
  • sisteme de avans cu servomotoare la masini si utilaje- in general

 

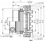
Seria KP

Contact:

ing. Mihai Aldea

tel
0212 229 540
fax
0212 229 513
mobil
0741 252 501
  • instalare simplă, fixare tip bratara la ambele capete
  • cuplaj cu burduf metalic cu 4 pliuri, design scurt cu rigiditate mare la torsiune
  • Moment T=25-900 Nm
  • Diametru ax D= 10-75 mm

Seria KG

Contact:

ing. Mihai Aldea

tel
0212 229 540
fax
0212 229 513
mobil
0741 252 501
  • instalare simpla cu fixare tip bratara la ambele capete
  • din otel sudat, rezistent la temperaturi de până la 350°C
  • Moment T=40-3000 Nm,
  • Diametru ax D= 12-100 mm
  • Serie scurta, cu burduf metalic cu 4 pliuri, rigiditate torsionala mare
  • KG-VA - varianta din inox

Seria KG-VA

Contact:

ing. Mihai Aldea

tel
0212 229 540
fax
0212 229 513
mobil
0741 252 501
  • instalare simpla cu fixare tip bratara la ambele capete
  • din otel sudat, rezistent la temperaturi de până la 350°C
  • Moment T=30-1000 Nm,
  • Diametru ax D= 10-90 mm
  • Serie scurta, cu burduf metalic cu 4 pliuri, rigiditate torsionala mare
  • din oțel inoxidabil

Seria KGH

Contact:

ing. Mihai Aldea

tel
0212 229 540
fax
0212 229 513
mobil
0741 252 501
  • instalare simpla cu semicilindri de fixare pe ambele parti
  • Moment T=20-1800 Nm,
  • Diametru ax D= 8-85 mm
  • Serie scurta, lungime variabila 2-4 pliuri, rigiditate torsionala mare
  • constructie sudata, temperatura de operare până la 350°C

Seria KGH-VA

Contact:

ing. Mihai Aldea

tel
0212 229 540
fax
0212 229 513
mobil
0741 252 501
  • instalare simpla cu semicilindri de fixare pe ambele parti
  • Moment T=10-1200 Nm,
  • Diametru ax D= 7-85 mm
  • Serie scurta, lungime variabila 2-4 pliuri, rigiditate torsionala mare
  • constructie sudata, temperatura de operare până la 350°C
  • din inox, fără costuri de mentenanță

Seria KXL

Contact:

ing. Mihai Aldea

tel
0212 229 540
fax
0212 229 513
mobil
0741 252 501
  • Moment T = 4000 - 70.000 Nm,
  • Diametru ax D = 70-220 mm
  • construcție din 3 subansamble pentru se putea potrivi ușor la orice aplicație
  • fixare cu flanșă sau cu pene inelxare
  • transmitere exacta moment, rigiditate torsionala mare,
  • moment de inertie redus,
  • usor de montat
  • accepta abateri mari de pozitie pentru arbori.

Seria KHS

Contact:

ing. Mihai Aldea

tel
0212 229 540
fax
0212 229 513
mobil
0741 252 501
  • realizat din aluminiu
  • moment redus de inerție
  • cuplaj foarte bine echilibrat
  • moment 25 - 700 Nm
  • diametrul axului D=6-60 mm
  • fixare cu pene inelare, burduf metalic cu 4 pliuri
  • turatii pana la 57.000 rpm

Seria KPS

Contact:

ing. Mihai Aldea

tel
0212 229 540
fax
0212 229 513
mobil
0741 252 501
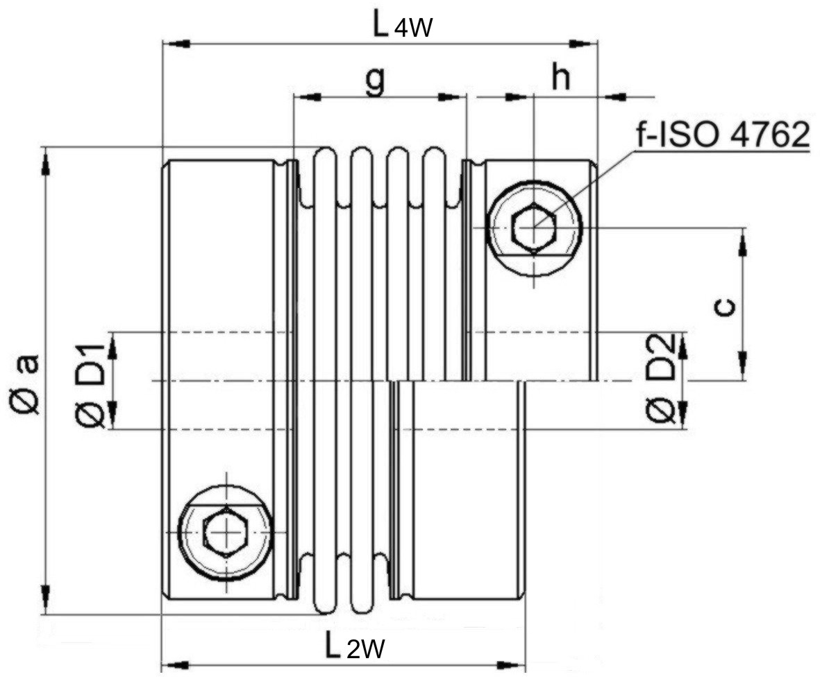
  • Servocuplaj folosit pentru montare directă într-un arbore tubular
  • cu burduf metalic cu 4 pliuri (design scurt)
  • Moment T=2-600 Nm,
  • Diametru ax D1= 3-68 mm /D2=8-48mm
  • fixare tip bratara pe ax / butuc
  • buffer axial intern

Seria KPP

Contact:

ing. Mihai Aldea

tel
0212 229 540
fax
0212 229 513
mobil
0741 252 501
  • Moment T=10-600 Nm
  • Diametru ax D= 6-70 mm
  • varianta cu 2 semicuple
  • rigiditate torsionala mare 
  • posibilă asamblare oarbă
  • versiune robustă din complet metalică pentru funcționare la temperaturi de până la a 200°C

Seria KGE

Contact:

ing. Mihai Aldea

tel
0212 229 540
fax
0212 229 513
mobil
0741 252 501
  • cuplaj pentru conexiunea standard EN-ISO 9409-1
  • conexiune tip flansă din două părți - design compact
  • Moment T=40-2.000 Nm,
  • Diametru ax D= 12-90 mm
  • rigiditate torsionala mare, fixare tip bratara la iesire si tip flansa la intrare